直流输配电技术由于其各方面的优良特性,成为了近年来的研究热点,直流变压器作为直流输配电网的关键设备,也同时受到广泛关注。在直流变压器拓扑方面,采用高频隔离变压器取代传统的工频隔离变压器被普遍认为是智能电网中的新一代高频隔离功率转换技术的必然发展趋势。
由于用于电网中的高压大容量电力电子装置的庞大与复杂性,通常无法进行直接实验研究,并且其建设周期长,建设成本高。随着计算机技术的发展,先进的数字模型仿真技术逐渐成为电力电子及电力系统相关领域的重要研究手段。数字仿真机的使用可以有效的减少开发周期、测试成本、并且实现实际情况下难以完成的测试环境。
对直流变压器结构特性的实时仿真是其技术研发中关键的问题, 其主要挑战在于小步长模型的搭建,高频开关信号的采集,以及拓扑结构的灵活变换扩展,基于eHS解算器思想,利用FPGA的快速计算、可重构映射的特性,实现步长小于1微秒的直流变压器模型仿真。
直流变压器FPGA片上仿真,利用FPGA的快速计算、可重构映射的特性,借助eHS图形化工具,将CPU中的电力电子拓扑自动转化到FPGA中解算,并将计算结果实时回送CPU中显示。

图1 系统原理图
■ eHS是图形化的模型搭建工具,不需要FPGA的编程语言。
■ 在对电力电子拓扑进行改动时,eHS也不需要重新生成FPGA代码,节省大量时间。
■ eHS解算器使用基于固定导纳矩阵的节点法解算电路,确保了模型在低于1微秒时的稳定性。
■ eHS解法器和RT-LAB状态空间节点(State-space Nodal)算法可以无缝结合。
某电科院柔性直流配网系统中,直流变压器采用了两层控制方案,上层控制器在CPU中实现,通过传统的PI控制计算相移角度,利用CPU模型中现有的PI控制器模型的优势,如下图所示。

图2 上层控制算法模型
底层控制器,即三阶模块电源侧和负载侧的PWM产生器,放置在FPGA中,从而在满足仿真精细度的同时,也提高仿真速度。


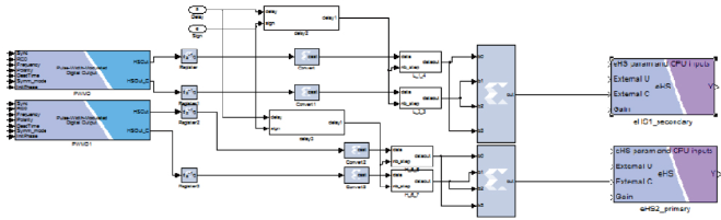
图3 底层控制算法模型
直流变压器本体仿真
直流变压器作为柔性直流配网系统中的关键设备,项目中,直流变压器采用双向全桥拓扑,高压侧为3全桥串联,低压侧为3全桥并联,采用定低压侧电压控制,双向全桥的驱动采用单移相方式,开关频率10KHZ,系统额定功率30KW。

图4 直流变压器仿真
直流配网继保测试及协议通信
测试整系统故障清理能力,整体仿真分析,提出了直流配电系统保护分区方案和各类故障的保护配置方案;改进基于直流配电动态模拟实验系统的控制保护样机技术方案。与某厂商继保配合,纠正并改进保护策略。
整体接入的设备主要包括主控系统(104规约)、换流器、保护装置(61850),风光储发电模拟备(modbus规约)、直流线路模拟(modbus规约)设备,因此整体系统通信任务繁重复。

图5 换流站继保策略

图6 整体系统的接口交互图